Slewing ring made of steel
LVC
97168A
| Precio unitario: | -,- EUR | |
| Precio | -,- EUR |
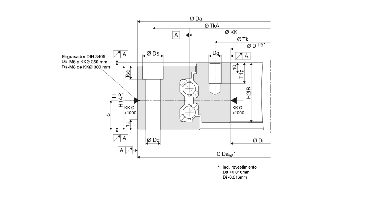
Descripción
Material
Anillo interno/externo: C45N
Pistas de rodamientos de bolas: Acero cromo-silicio endurecido y templado,
Elementos rotatorios: Acero laminado endurecido para rodamientos,
Jaula: Poliamida o Poliuretano termoplástico
Sellado: NBR
Operating temperature -20 °C a +80 °C, a corto plazo hasta +100 °C
Peripheral speed Máximo 20 m/s
Lubricant Shell Gadus S3 V220 C2
Relubrication A través de engrasadores según DIN 3405
| Suavidad de marcha | |
| Capacidad de carga | |
| Velocidad | |
| Rigidez | |
| Peso | |
| Precio |
Mis contactos para este producto
Su contacto local
Franke Spain
Franke Rodamientos, S.L.
Ignacio García Rodríguez
Santa Hortensia, 48
28002, Madrid
Tel.: +34 91 024 34 54
Móvil: +34 621 011 224
i.garcia@franke-spain.com

¡Déjenos aconsejarle!
Por un profesional de Franke en su casa o en nuestro local.