Slewing ring made of aluminium
LVG

Precio unitario: | -,- EUR | |
Precio | -,- EUR |
Descripción
Material
Anillo interno/externo: Aluminio, anodizado
Pistas de rodamientos de bolas: Acero cromo-silicio endurecido y templado,
Elementos rotatorios: Acero laminado endurecido para rodamientos,
Jaula: Poliamida o Poliuretano termoplástico
Sellado: NBR
Operating temperature -20 °C a +80 °C, a corto plazo hasta +100 °C
Peripheral speed Máximo 4 m/s
Lubricant Isoflex Topas NCA52
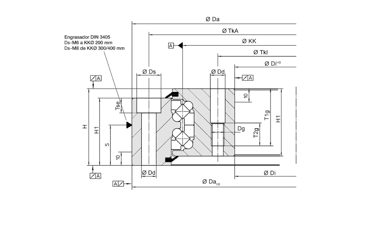
Relubrication A través de engrasadores según DIN 3405
Suavidad de marcha | |
Capacidad de carga | |
Velocidad | |
Rigidez | |
Peso | |
Precio |
Mis contactos para este producto
Su contacto local
Franke GmbH
Obere Bahnstraße 64
D-73431 Aalen Tel.: +49 7361 9200 vertrieb@franke-gmbh.de

¡Déjenos aconsejarle!
Por un profesional de Franke en su casa o en nuestro local.