Transmisión por par motor
Accionamiento directo tipo LTD
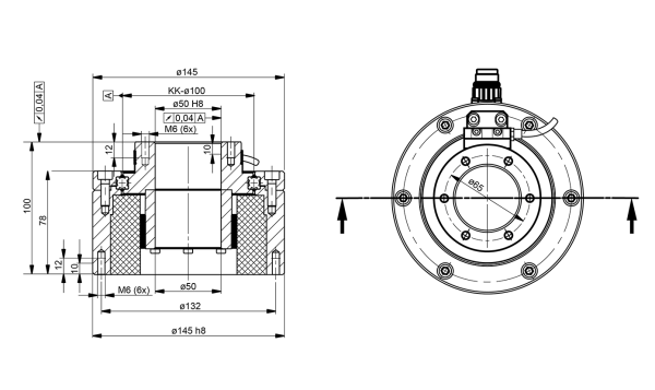
609818
Descripción
Material C45N (opcionalmente aluminio)
Temperatura de funcionamiento de -10 °C a +80 °C
Posición de montaje Cualquier
Lubricante Con grasa para rodamientos a través de engrasadores
Opciones Sistema de medición absoluto, salida de cable axial, unidades de control incl. Cables, refrigeración por agua
| Precisión | |
| Velocidad | |
| Rango de diámetro | |
| Precio |
Supercompacto y superindividual: Franke Direct Drive con motor LTD
Información básica
- Carcasa de acero o aluminio
- KKØ: 100 - 1800 mm
- Sistemas de medición incremental
- Sistemas de medición absolutos
Ventajas
- Diseño compacto
- Gran espacio libre central
- Libre elección de componentes
- Cuatro tamaños estándar en stock
- Soluciones personalizadas
Funcionalidad y ventajas:
Compacto
Dinámica
Eficiencia energética
Diseño compacto, gran espacio libre central
Los conjuntos de rodamientos Franke con accionamiento directo integrado (motor de par) se caracterizan por una alta dinámica, la máxima eficiencia energética y un espacio de instalación compacto combinado con un diseño sin centro
Las coronas Franke con Direct Drive integrado (motor de par) están certificadas para su uso en salas blancas.
Diámetros disponibles
Los rodamientos Franke con Direct Drive están disponibles en diámetros de 100 mm a 1.800 mm.
Mis contactos para este producto
Su contacto local
Franke Spain
Franke Rodamientos, S.L.
Ignacio García Rodríguez
Santa Hortensia, 48
28002, Madrid
Tel.: +34 91 024 34 54
Móvil: +34 621 011 224
i.garcia@franke-spain.com
Documento técnico Rodamiento con motor de torque

Descubra en nuestro libro blanco por qué una corona de giro con motor de torque integrado es superior a otros tipos de accionamiento en casi todos los aspectos.
Elimine en el futuro componentes como reductores y piñones de accionamiento.

¡Déjenos aconsejarle!
Por un profesional de Franke en su casa o en nuestro local.

